Recently, when users use our RS422 six-axis force sensor, they react that there is a very small probability of data interruption after a period of normal communication. At this time, the sensor is still powered on normally. After restarting, they will find that the baud rate of the sensor has changed. After modifying the baud rate, they can communicate normally again.
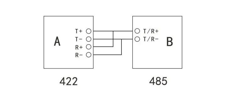
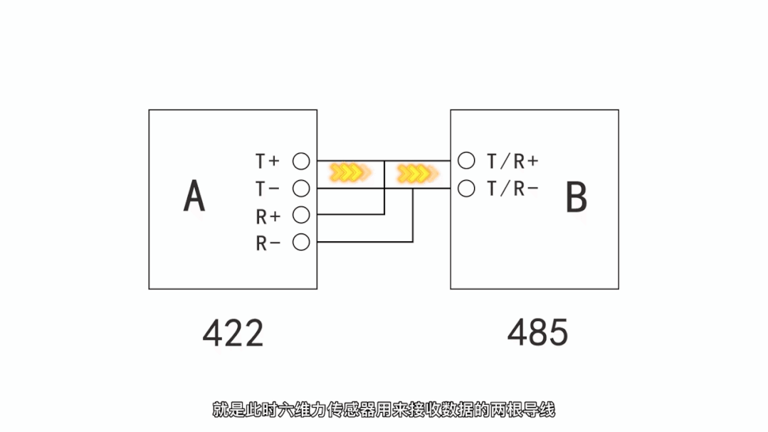
Through the communication with users, we found that these users use the four communication lines of 422 together and access to a 485 communication interface. This is actually the reason for this problem.

485 bus is a half-duplex serial protocol, using two wires. Half-duplex means that the direction of data in the bus is single at a certain time. For example, A and B are connected by 485 bus. At any time, A is either sending data to B or receiving data sent by B. There will be no data sent by A and data sent by B at the same time. Just like A and B are talking through the interphone, when A is talking to B, B can ‘t also talk to A through the interphone.

However, the RS422 protocol is a full-duplex 4-wire protocol, which is like the call between A and B from the walkie-talkie to the telephone. When A speaks, B can also speak, and both sides can hear. It can also be said that 422 is two 485 buses connected together. One of the two buses is only used for transmission from A to B, and the other is only used for transmission from B to A.

This user connects the four wires of 422 to his 485 device in pairs, which is theoretically no problem, because as long as the user ‘s own device has been in the receiving state of 485, the sensor can still send data to the user ‘s device through two sending wires in the 422 bus. However, in fact, this also brings a problem. At this time, the two wires used by the six-axis force sensor to receive data are also connected to the wires that transmit data. It is like A in the A and B devices that have just spoken by telephone, pasting their ears to their own microphones to listen to themselves.

At this time, if the data sent by the six-axis force sensor has information that conforms to its own command protocol, it thinks that the user’s device has sent the relevant command. Adding this command is to modify the baud rate, and it will perform the modification of its own baud rate, and then wait for the user ‘s operation under the new baud rate. This is the reason why the user can ‘t receive the data accidentally. At the moment when the data can ‘t be received, the sensor mistakenly thinks that the data sent by itself is the command that the user requires to modify the baud rate.
In fact, for this situation, we recommend that users directly choose the six-axis force sensor of RS485 communication. If the conditions are limited, it must be used this way. Pls feel free to reach out us to turn off the receiving command function of the sensor, so that the sensor will not send out the data information as a command.






